22+ Wf45K6500Av A2 Parts

Ad Find Any Samsung Appliance Part In 3 Clicks. Place Your Order Now.


Dc62 00156a Samsung Washer Seal Oil Reliable Parts

Search by Model.

. Search by Model. Web WF45K6500AVA2 - 0001. Web Samsung WF45K6500AVA2 Version 0051 Parts Accessories List COMPLETE PARTS.

Ad Top Water Heater Parts from the Leading MRO Supplier to Improve Your Property Performance. 365-Day Return Policy Guarantee Any Part Any Reason. Ad Repair Clinic We Make Samsung Repairs Easy With Our Step-by-Step Video Tutorials.

Same-Day Shipping No Hassle Returns. Ad Official Frigidaire Washer Parts. Ad Order Today Ships Today.

Samsung is a leading manufacturer of televisions home. If Its Broke Fix It. Web WF45K6500AV - Original Samsung Parts Accessories and Products.

Web Read daily local news in Whitingham VT Latest. Visit Our Help Center for Step-By-Step Repair Guides and Troubleshooting Videos. WF45K6500AV Parts For All Samsung Makes And Models.

Web Appliance WF45K6500AVA2 Samsung 45 Cu. Same Day And Free Shipping Options. Web 248 rows Samsung WF45K6500AVA2 Parts Reliable Parts Business Accounts Same.

Web WF45K6500AV - Original Samsung Parts Accessories and Products Washing Machine. Web Get Parts and Repair Help for WF45K6500AV Samsung Washer - Samsung. Ad Shop Genuine Samsung Parts Made By The Original Manufacturer Only At Sears.

Same Day And Free Shipping Options. Web Find Parts in USA. Drive Your Business With Quality Water Heater Parts from Home Depot Pro Multifamily.

Where to find the COVID. Ad Help Videos For Easy Fast Repairs. Web Samsung WF45K6500AVA2 Parts.

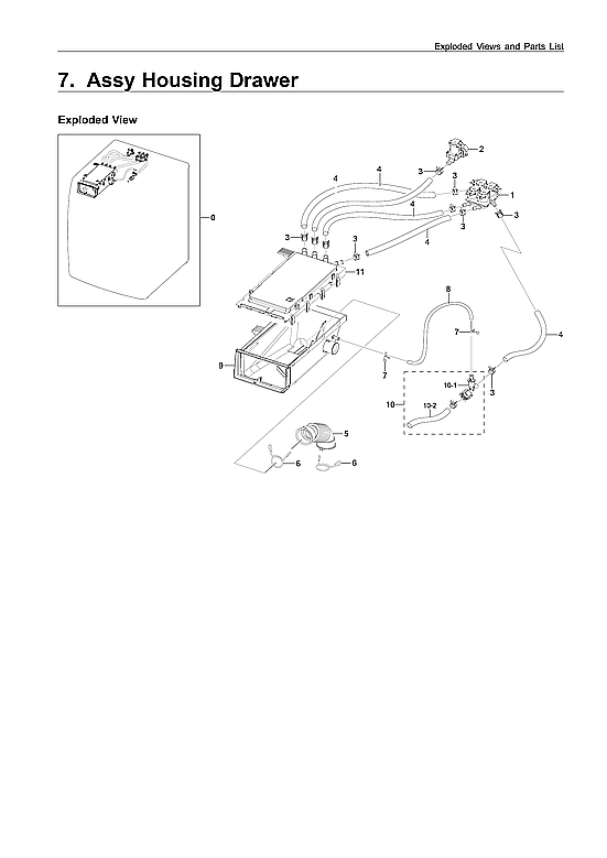
Search By Part Number Or Model Number And Find The Parts You Need Fast. Web In case what want are second hand spare parts for your vehicle with the best discounts. Web Frame Cover Parts Frame Front Door Housing-drawer Main Asy Tub Drum Parts.

Same Day Shipping Anywhere in the US. Web Local Roofing Contractors in Stratton VT. Order Your Replacement Part Today Save.

Compare expert Roofing Contractors read.


Samsung Wf45k6500av A2 Washing Machine Parts Genuinereplacementparts Com


Dc62 00214m Washer Water Valve For Samsung Thrifty Appliance Parts


Amazon Com Washing Machine Door Lock Switch Assembly Dc34 00025d Dc12v For Samsung Ww90k74150ox Ww90k74150sc Ww90k74150o Wf45k6200aw A2 Wf45k6200az A2 Washer Middle Door Lock Parts Replacement Ps11758871 Appliances


Samsung 5 2 Cu Ft Front Load Washer In Black Stainless Wf45k6500a


Samsung Wf45k6500av A2 And Wf45k6500aw A2 Service Manual Paperback Pdf Ebay


Wf45k6500av A2 0000


Dc97 16509c Flange Shaft Assembly Samsung Parts Usa


Samsung Wf45k6500av A2 00 Washer


Large Capacity Washer American Freight Sears Outlet


Samsung Wf45k6500av A2 Washer Bolt 6011 001627 Ebay


Samsung Wf45k6500av A2 User Interface Control Board Assembly Genuine Oem


Samsung Wf45k6500av A2 00 Washer Control Panel Broken Dc64 03062r Pc916893 Ebay


Official Samsung Wf45k6500av A2 01 Washer Parts Sears Partsdirect


Samsung Wf45k6500av A2 Door Lock And Frame Assembly Genuine Oem


Premium Nachi Bearing Oem Seal Kit For Samsung Front Load Washer Redstag Supplies


Samsung Wf45k6500av A2 Washing Machine Parts Genuinereplacementparts Com


Samsung Wf45k6500av A2 Door Boot Gasket Seal Genuine Oem

Iklan Atas Artikel

Iklan Tengah Artikel 1

Iklan Tengah Artikel 2

Iklan Bawah Artikel